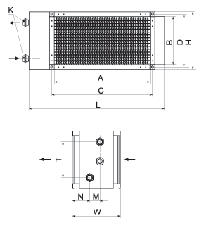
|

| Тип |
A |
B |
D |
C |
E |
F |
H |
Вага, кг |
| НК 400х200-4,5-3 |
400 |
200 |
420 |
220 |
540 |
240 |
200 |
6,5 |
| НК 400х200-6,0-3 |
400 |
200 |
420 |
220 |
540 |
240 |
200 |
6,5 |
| НК 400х200-7,5-3 |
400 |
200 |
420 |
220 |
540 |
240 |
200 |
6,5 |
| НК 400х200-9,0-3 |
400 |
200 |
420 |
220 |
540 |
240 |
200 |
6,5 |
| НК 400х200-10,5-3 |
400 |
200 |
420 |
220 |
540 |
240 |
200 |
6,5 |
| НК 400х200-12,0-3 |
400 |
200 |
420 |
220 |
540 |
240 |
200 |
6,5 |
| НК 500х250-7,5-3 |
500 |
250 |
520 |
270 |
640 |
290 |
200 |
7,65 |
| НК 500х250-9,0-3 |
500 |
250 |
520 |
270 |
640 |
290 |
200 |
7,65 |
| НК 500х250-10,5-3 |
500 |
250 |
520 |
270 |
640 |
290 |
200 |
7,65 |
| НК 500х250-12,0-3 |
500 |
250 |
520 |
270 |
640 |
290 |
200 |
7,65 |
| НК 500х250-15,0-3 |
500 |
250 |
520 |
270 |
640 |
290 |
200 |
7,65 |
| НК 500х300-7,5-3 |
500 |
300 |
520 |
320 |
640 |
340 |
200 |
8,2 |
| НК 500х300-9,0-3 |
500 |
300 |
520 |
320 |
640 |
340 |
200 |
8,2 |
| НК 500х300-10,5-3 |
500 |
300 |
520 |
320 |
640 |
340 |
200 |
8,2 |
| НК 500х300-12,0-3 |
500 |
300 |
520 |
320 |
640 |
340 |
200 |
8,2 |
| НК 500х300-15,0-3 |
500 |
300 |
520 |
320 |
640 |
340 |
200 |
8,2 |
| НК 500х300-18,0 |
500 |
300 |
520 |
320 |
640 |
340 |
200 |
8,2 |
| НК 600х300-9,0-3 |
600 |
300 |
620 |
320 |
740 |
340 |
200 |
9,4 |
| НК 600х300-12,0-3 |
600 |
300 |
620 |
320 |
740 |
340 |
200 |
9,4 |
| НК 600х300-15,0-3 |
600 |
300 |
620 |
320 |
740 |
340 |
200 |
9,4 |
| НК 600х300-18,0-3 |
600 |
300 |
620 |
320 |
740 |
340 |
200 |
9,4 |
| НК 600х300-21,0-3 |
600 |
300 |
620 |
320 |
740 |
340 |
200 |
9,4 |
| НК 600х350-9,0-3 |
600 |
350 |
620 |
370 |
740 |
390 |
200 |
9,75 |
| НК 600х350-12,0-3 |
600 |
350 |
620 |
370 |
740 |
390 |
200 |
9,75 |
| НК 600х350-15,0-3 |
600 |
350 |
620 |
370 |
740 |
390 |
200 |
9,75 |
| НК 600х350-18,0-3 |
600 |
350 |
620 |
370 |
740 |
390 |
200 |
9,75 |
| НК 600х350-21,0-3 |
600 |
350 |
620 |
370 |
740 |
390 |
200 |
9,75 |
|
| Тип |
Мін. витрата повітря,
м3/год |
Споживаний
струм,
A |
Напруга,
B |
Потужність,
кВт |
Кількість
тенов х
потужність,
кВт |
| НК 400х200-4,5-3 |
330 |
6,5 |
400 |
4,5 |
3х1,5 |
| НК 400х200-6,0-3 |
440 |
8,7 |
400 |
6,0 |
3х2,0 |
| НК 400х200-7,5-3 |
550 |
10,9 |
400 |
7,5 |
3х2,5 |
| НК 400х200-9,0-3 |
660 |
13,0 |
400 |
9,0 |
3х3,0 |
| НК 400х200-10,5-3 |
770 |
15,2 |
400 |
10,5 |
3х3,5 |
| НК 400х200-12,0-3 |
880 |
17,4 |
400 |
12,0 |
3х4,0 |
| НК 500х250-6,0-3 |
440 |
8,7 |
400 |
6,0 |
3х2,0 |
| НК 500х250-7,5-3 |
550 |
8,7 |
400 |
6,0 |
3х2,0 |
| НК 500х250-9,0-3 |
660 |
13,0 |
400 |
9,0 |
3х3,0 |
| НК 500х250-10,5-3 |
770 |
15,2 |
400 |
10,5 |
3х3,5 |
| НК 500х250-12,0-3 |
880 |
17,4 |
400 |
12,0 |
3х4,0 |
| НК 500х250-15,0-3 |
1100 |
21,7 |
400 |
15,0 |
3х5,0 |
| НК 500х300-6,0-3 |
440 |
10,9 |
400 |
7,5 |
3х2,5 |
| НК 500х300-7,5-3 |
550 |
10,9 |
400 |
7,5 |
3х2,5 |
| НК 500х300-9,0-3 |
660 |
13,0 |
400 |
9,0 |
3х3,0 |
| НК 500х300-10,5-3 |
770 |
15,2 |
400 |
10,5 |
3х3,5 |
| НК 500х300-12,0-3 |
880 |
17,4 |
400 |
12,0 |
3х4,0 |
| НК 500х300-15,0-3 |
1100 |
21,7 |
400 |
15,0 |
3х5,0 |
| НК 500х300-18,0 |
1320 |
26,0 |
400 |
18,0 |
3х6,0 |
| НК 600х300-9,0-3 |
660 |
13,0 |
400 |
9,0 |
3х3,0 |
| НК 600х300-12,0-3 |
880 |
17,4 |
400 |
12,0 |
3х4,0 |
| НК 600х300-15,0-3 |
1100 |
21,7 |
400 |
15,0 |
3х5,0 |
| НК 600х300-18,0-3 |
1320 |
26,0 |
400 |
18,0 |
3х6,0 |
| НК 600х300-21,0-3 |
1540 |
30,0 |
400 |
21,0 |
3х7,0 |
| НК 600х350-9,0-3 |
660 |
13,0 |
400 |
9,0 |
3х3,0 |
| НК 600х350-12,0-3 |
880 |
17,4 |
400 |
12,0 |
3х4,0 |
| НК 600х350-15,0-3 |
1100 |
21,7 |
400 |
15,0 |
3х5,0 |
| НК 600х350-18,0-3 |
1320 |
26,0 |
400 |
18,0 |
3х6,0 |
| НК 600х350-21,0-3 |
1540 |
30,0 |
400 |
21,0 |
3х7,0 |
|
| Тип |
Мінімальна витрата повітря,
м3/год |
Кількість
рядів
трубок |
Потужність
нагрівача
кВт |
Температура
води , оС
(вхід/вихід) |
Витрата
води
л/с |
Падіння
тиску
води , кПа |
Вага,
кг |
| НКВ 400x200-2 |
1100 |
2 |
9 |
70/50 |
0,13 |
3,9 |
7,6 |
| НКВ 400x200-4 |
1100 |
4 |
12 |
70/50 |
0,19 |
6,8 |
8,1 |
| НКВ 500x250-2 |
1850 |
2 |
14 |
70/50 |
0,25 |
5,0 |
15,8 |
| НКВ 500x250-4 |
1850 |
4 |
21 |
70/50 |
0,33 |
8,1 |
16,3 |
| НКВ 500x300-2 |
2350 |
2 |
17 |
70/50 |
0,26 |
3,5 |
11,5 |
| НКВ 500x300-4 |
2350 |
4 |
24 |
70/50 |
0,38 |
6,2 |
12,0 |
| НКВ 600x300-2 |
3000 |
2 |
22 |
70/50 |
0,33 |
6,0 |
21,8 |
| НКВ 600x300-4 |
3000 |
4 |
30 |
70/50 |
0,48 |
10,5 |
22,3 |
| НКВ 600x350-2 |
3400 |
2 |
25 |
70/50 |
0,38 |
9,2 |
22,4 |
| НКВ 600x350-4 |
3400 |
4 |
35 |
70/50 |
0,55 |
15,0 |
22,9 |
|